Das neue Netzteil für die +/- Fahrstromversorgung ist im Endstadium, nix besonderes, eben nur 12 statt der 6 einstellbaren Spannungsregler mit a 3 Ampere, 6 für +13V und 6 für -13V gegen Masse.
Was aber nicht funktioniert ist die bisherige Belegtmeldung, speziell für den ruhenden Verkehr.
Bisher war eine Strommessung über eine zusätzliche Spannung im Einsatz, die auch für den beidseitigen Verkehr einsetzbar ist. Es wird ein Strom von ca 1.7mA durch den Verbraucher auf dem Gleis geschickt und wenn dieser da ist, der Spannungsabfall registriert. Die 1.7mA hatte ich für die letzte Variante im Sbhf auf knapp 5mA erhöht, der Gleislängen wegen.
Folgende Widerstände sind deshalb geändert worden:
R4 (R1) 2.2K (330µA)
R5 (R2) 2.4K (4.7mA)
C2 und C3 entfallen, die Glättung ist nicht notwendig.
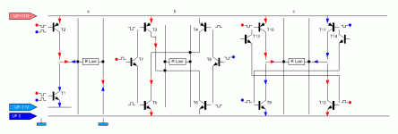
Der Radkontakt über R13 ist die Meldung über die 1. Achse eines Zuges eines einfahrenden Zuges, hat also nichts mit der ruhenden Belegtmeldung zu tun.
Ausgegeben wird der Zustand über den Optokoppler Opto1, welcher 2 LED beinhaltet, die jeweils separat angesteuert werden können und auf eine Fototransistor wirken.
Grundprinzip:
Baut man das in die obige Versuchsschaltung ein, stellt sich heraus, es geht so nicht, weil:

wenn T4 geöffnet ist, fließt der Strom über den Belegtmelder (BGM) von R104 kommend nach Ub- ab. Dabei ist es völlig egal, ob ein Verbraucher auf dem Gleis steht oder nicht. Selbiges passiert wenn T3 geöffnet ist, dann über D105 und R109 nach Ub-.
Von daher eine veränderte Variante der reinen Endstufe, (Compound - Verbund), in Anlehnung an diverse früher von mir gebaute NF Endstufen (als Plan ganz unten dran).
Die Belegtmeldung erfolgt hier über den Emitter-R R15 (R16) mittels Komparator OPV. Die Simulation zeigt, daß 1.5K auf dem Gleis sicher erkannt werden. Eine Lok hat einen Innenwiderstand von ca 30R. Das bedeutet, ein minimaler Stromfluß von 12mA über R15 (R16) oder eine Spannungsdifferenz von nur 1.5mV an E+ und E- des LM393, werden erkannt. Die Beschaltung ist veilleicht etwas unkonvetionell, die Eingangströme werden aber nicht überschritten.
Erschwerend kommt hinzu, daß ein Rechtecksignal am Gleis anliegt, für den stehenden Verkehr im Taktverhaältnis 30µs an, 70µs aus bei 100µs = 10Khz Gesamtfreq., denn das Licht im Zug soll ja an bleiben.
Die diversen Zusätze:
Das Boucherotglied R23, C1 wird ab etwa 150Khz eine Ableitung des Ausgangssignals (Ua) gegen Masse vornehmen. Ob die 47n da so bleiben können oder auf 22n reduziert werden müssen wird sich zeigen. Möglicherweise kann dieses Glied auch entfallen, die Schwingneigung der Endstufe dürfte eigentlich gegen 0 gehen, das Glied versaut aber auch die Rechteckform des Ua.
Auf dem Gleis steht eine Lok mit ihren Entstörzusätzen. Aus dem Grund einer eventl. Zusatzreserve für den Ausschaltmoment ist die Drossel L1 und R24 eingefügt. Im Zusammenhang mit D9 bzw. D10 soll damit der rückfließende Strom elliminiert werden und zwar so, daß der durch die Freq. von 10Khz jedesmal zündende Fließstrom auch wieder in den Motor kommt, ohne die Endstufe zu sehr zu belasten. Auch hier ist eine Zusammenspiel mit dem Boucherotglied zu sehen.
Für den geneigten Leser - NF Endstufe in Compoundausführung, 2R stabil:
